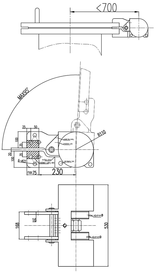
Installation diagram

Parameter Description
Weight: 170-240Kg
Torque range: 119-168Kg·m
Diameter: Φ940mm
Installation Instructions
1、Confirm that the manhole flange and the manhole cover are at minimum clearance, and measure the minimum distance between the cover and the base.
2、Scribe and cut the balancer connecting piece according to the measured dimensions. Cut the mounting holes in half at the maximum cutting distance (illustrated).
3、Remove the left and right side covers, open the cover to its maximum position in a protected state. screw in the wire top studs from the torque adjustment 1. (generally the wire top studs and the crescent plate continue to be topped up by 5mm after contact) to increase the prestressing force. Close the manhole cover in a protected state to allow it to rest easily with the manhole flange between 10°-20° (if it is not possible to keep the cover and the flange resting easily between 10°-20° repeat the above operation: adjust the distance of the silk top. When torque adjustment 1 has been completed, torque adjustment 2 can be used), put back the side plate and press the stud to adjust the PTFE damping and the centre position of the cover.
4、Strength welding. Balancer material is S30408 Note the selection of welding consumables.
5、Once the manhole cover is fully open and the anti-tip holes are fitted with the appropriate bolts, loosen the mounting auxiliary bolts and remove the auxiliary gaskets. The bolts can be fine-tuned parallel to the situation to achieve the best results.
Note:
1、For non-horizontal installation move the manhole cover upwards by a small amount and install, this will reduce the amount of misalignment.
2、Match the connection plate to the holes and dimensions shown when extending the installation. Can be directly welded or bolted (special materials).
RELATED
RELATED
RELATED
RELATED
This website uses cookies to ensure you get the best experience on our website.