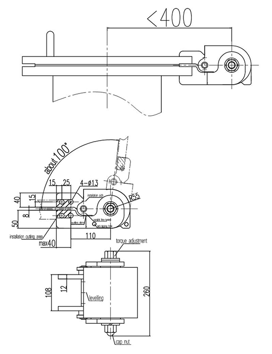
Installation diagram

Parameter Description
Weight: 40-60Kg
Torque range: 16-24Kg·m
Diameter: Φ580mm
Installation Instructions
1、Confirm that the manhole flange and the manhole cover are at minimum clearance, and measure the minimum distance between the cover and the base.
2、Scribe and cut the balancer connecting piece according to the measured dimensions. Cut the mounting holes in half at the maximum cutting distance (illustrated).
3、Insert the cut balancer into the manhole, strip spot weld for strength.
4、Unscrew the cap nut and disengage the other side of the ratchet from the bite, open the cover to the maximum position, rotate the ratchet nut in the direction of the open cover, (generally rotate 4 teeth first) to increase the pre-stress, and in the pre-stressed state press the cap nut to make the ratchet bite. Close the manhole cover in a protected state so that it stays easily with the manhole flange between 10°-20° (if you can't keep the cover and the flange easily between 10°-20° repeat the above operation to adjust the number of rotating teeth), continue to press the cap nut (1/4 turn) to adjust the tetrafluoro damping.
5、Strength welding.Balancer material is S30408 Note the selection of welding consumables.
6、Once the manhole cover is fully open and the anti-tip holes are fitted with the appropriate bolts, loosen the mounting auxiliary bolts and remove the auxiliary gaskets. The bolts can be fine-tuned parallel to the situation to achieve the best results.
Note:
1、For non-horizontal installation move the manhole cover upwards by a small amount and install, this will reduce the amount of misalignment.
2、Match the connection plate to the holes and dimensions shown when extending the installation. Can be directly welded or bolted (special materials).
RELATED
RELATED
RELATED
RELATED
This website uses cookies to ensure you get the best experience on our website.